NEWS CENTER

新闻中心
公司动态 环保资讯 信息公示 资料下载

政策速递 ▏中国环境监测总站印发《排污单位自行监测专项检查技术规程》

发布时间:2022-07-31 3069 次浏览

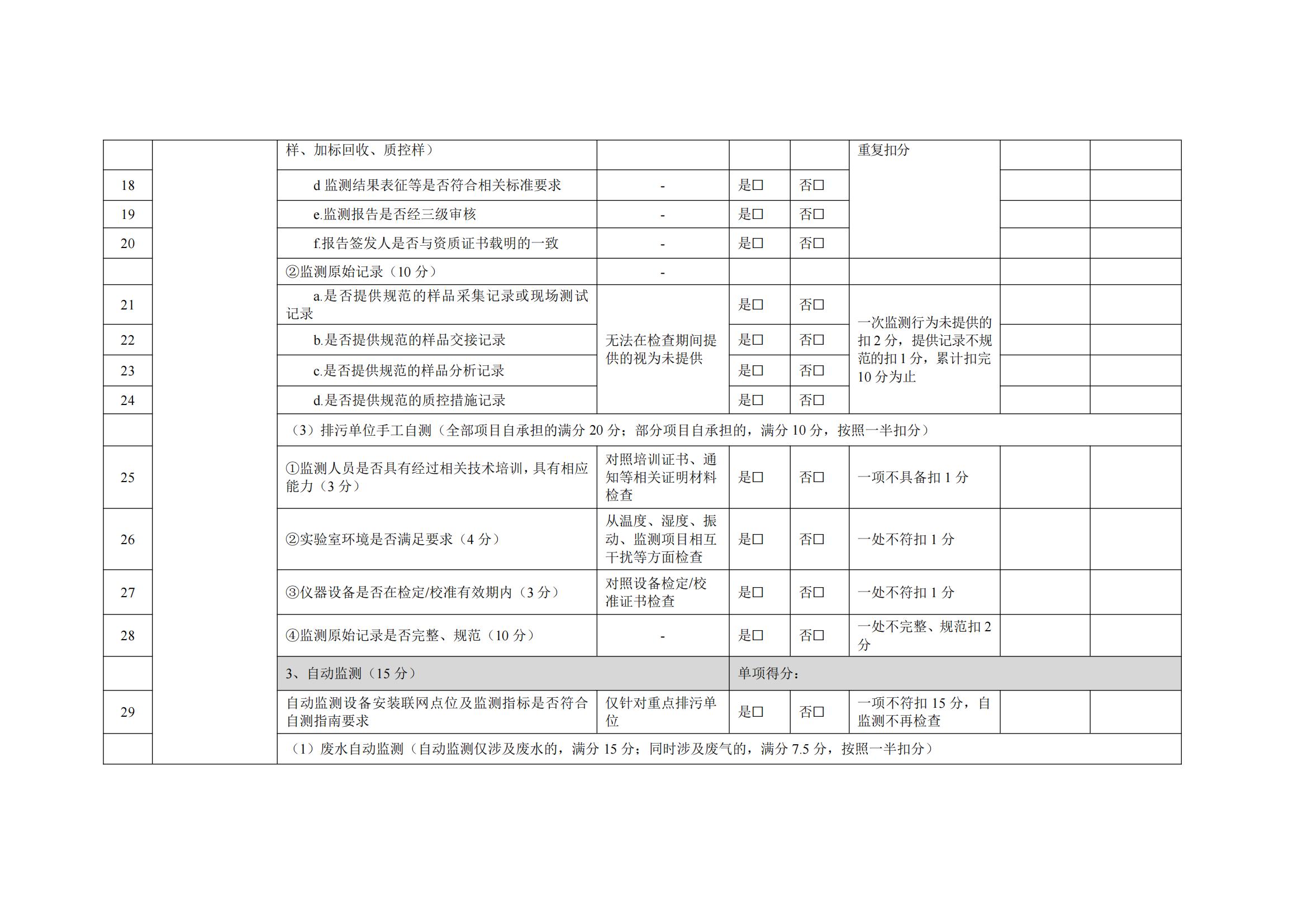
为支撑落实2022年全国生态环境监测方案关于排污单位自行监测专项检查工作要求,指导并规范全国各级生态环境部门开展排污单位自行监测专项检查,规范排污单位自行监测行为,提高自行监测数据质量,有效支撑排污许可证后监管,中国环境监测总站制定了《排污单位自行监测专项检查技术规程》。


20220727162253968ryqwb2_00.jpg

20220727162253968ryqwb2_08.jpg

20220727162253968ryqwb2_09.jpg

20220727162253968ryqwb2_10.jpg

20220727162253968ryqwb2_11.jpg

20220727162253968ryqwb2_12.jpg

20220727162253968ryqwb2_00.jpg

© 2015 Centling Technologies. All rights reserved.鲁ICP备16034813号